ポータブルウィンチ PNWシリーズ 最大荷重1500kg::PNW-1500N
'
![]() |
信頼性の高いダブルブレーキ爪を採用
|
![]() |
安全・環境・メーカー自社制作のポータブルウインチ
安全性を追求し、環境にも配慮(RoHS対応済)、メーカー自社工場での製作にこだわったポータブルウインチ
![]() |
■確実で安心なダブルブレーキ爪を採用一方の爪がラチェットデスクを離れると、他方の爪が噛み合うダブルブレーキ爪を採用。 |
![]() |
■安全なハンドル押工ハンドルは容易にセーフティプランジャで長さ調整の3カ所の穴にしっかり固定することができます |
![]() |
■簡単なワイヤー取付ワイヤはドラムの通し穴に先端を差し込み横から止めネジで押える簡単確実な方法を採用 |
■ハンドル操作ハンドルを右回転させれば巻上げ、左回転させれば巻下げができます。また、ハンドル回転を止めればその位置で自動的にブレーキがかかり、宙吊りが容易にできます。 |
![]() |
| 型式 | PNW-1500N | |
| 最大荷重 | (ドラム1層目) | 1500kg |
| (最外層4層目) | 975kg | |
| 手動力 | 123N | |
| ハンドル1回転の巻取り長さ | 15.4mm | |
| 使用ロープ径 | φ10mm | |
| ロープ収容能力 | 30m | |
| 製品質量 | 26kg | |
| 総減速比 | 1:22.68 | |
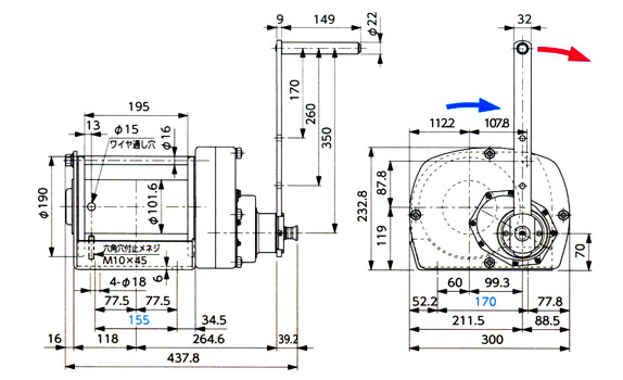
※青色寸法はウインチの取付ピッチです
※
印は巻上時ハンドル回転方向、
印はドラム回転方向です
|
株式会社 富士製作所 0120-57-0253
|
| 商品ID | 商品名・品番 | 価格 | 掛率 | 数量 | カートへ |
|---|
■ アイコン表記について>>
プロのためのサイトです。
お電話でのご注文は...
フリーダイヤル:0120-921-841、携帯電話から:0172-43-1551(受付:平日9:00~17:30 日祝は休み)

































































