一般工事排水用水中ハイスピンポンプHS型 非自動形(100V・50Hz): 他:HS2.4S
![]() |
異物通過断面を特に考慮し、過酷な現場に対応!
|
![]() |
![]() |
性能曲線
![]() |
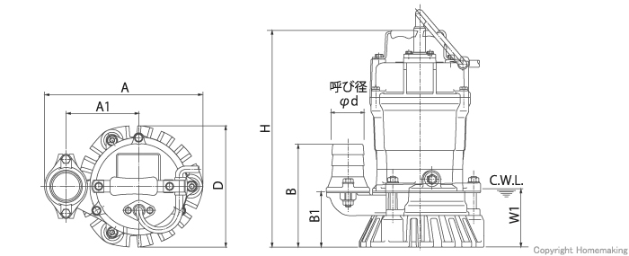
寸法図
![]() |
| 品番 | d | A | A1 | B | B1 | D | H | W1 |
| HS2.4S | 50mm | 241mm | 110mm | 158mm | 84mm | 184mm | 328mm | 90mm |
| HS2.4 |
| 品番 | HS2.4S | HS2.4 | |
| 電圧 | 単相100V | 三相200V | |
| 取扱液 | 液質 | 工事排水・土砂水 | |
| 液温 | 0~40℃ | ||
| 異物通過径 | 7mm | ||
| ケーブル長さ | 5m | ||
| 吐出し口径 | 50mm | ||
| 全揚程 | 8m | ||
| 吐出し量 | 0.1m3/min | ||
| 出力 | 0.4kW | ||
| 質量 | 11.3kg | 10.8kg | |
| 標準付属品 | キャブタイヤケーブル、ホースカップリング、ホースバンド | ||
|
株式会社 鶴見製作所 0120-922-022
受付時間 9:00~12:00 13:00~17:00 (土日祝日と年末年始・夏期休暇等を除く) |
| 商品ID | 商品名・品番 | 価格 | 掛率 | 数量 | カートへ |
|---|
※通常在庫品でも、ご注文のタイミングや注文個数によりお届け日が変わる場合があります。
■ アイコン表記について>>
■ アイコン表記について>>
当サイトはプロ用の道具・工具・資材を店舗を通さず、卸値又はそれに順ずる価格でお届けする、
プロのためのサイトです。
プロのためのサイトです。
※お買い上げ合計金額が税別2万円以上であれば何個口でも送料無料!(但し一部商品、沖縄県、一部地域を除く)
お電話でのご注文は...
フリーダイヤル:0120-921-841、携帯電話から:0172-43-1551(受付:平日9:00~17:30 日祝は休み)

































































